Описание
Характеристики
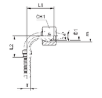
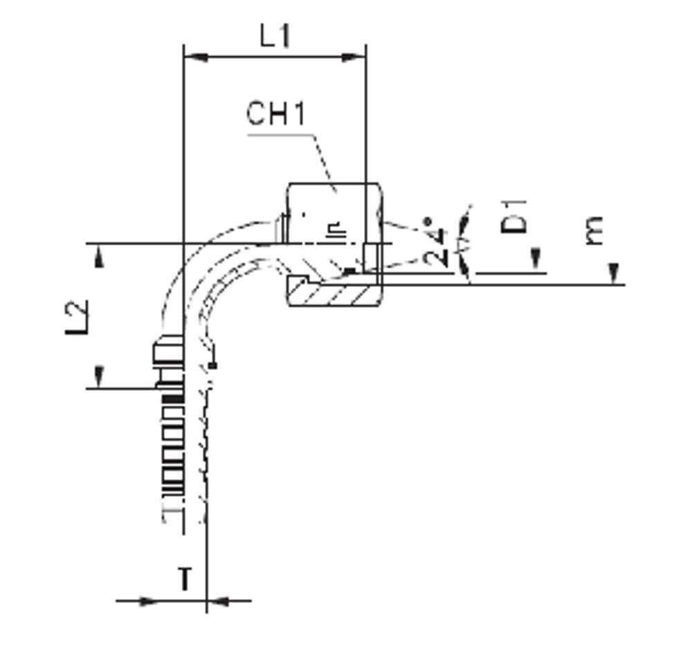
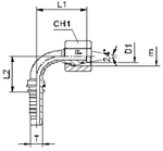
| Артикул | Бренд | D1 | DASH | DN | ID (дюйм) | L1 | L2 | WP (bar) | Вид резьбы | М | Стандарт фитинга/муфты | Тип фитинга | Угол фитинга |
| 801115 | CAST | 12S | -5 | 8 | 5/16 | 35,5 | 27,5 | 350 | Внутренняя | 20x1.5 | Стандартный | DKO | 90 град. |
Показать полностью
Свернуть
Характеристики
Бренд
CAST
WP (bar)
350
Размер M фитинги Каст
20x1.5
внутр. диаметр (дюйм)
5/16
DN
8
DASH
-5
Размер L1 фитинги Каст
35,5
Размер L2 фитинги Каст
27,5
Размер соедин. D1 фитинги Каст
12S
WP (bar) рабочее давление
350
DN условный внутренний диаметр рукава
8
DASH размер продукции (рукава, фитинги, TC)
-5
Тип фитинга для РВД
DKO
DN (услов внут диам рукава, фитингов)
8
Стандарт фитинга/муфты для РВД
Стандартный
Угол фитинга для РВД
90 град.
Вид резьбы фитинга для РВД
Внутренняя
ID (дюйм)
5/16
Отзывы
Отзывов еще никто не оставлял
