Описание
Характеристики
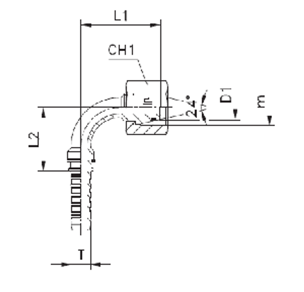
| Артикул | Бренд | D1 | DASH | DN | ID (дюйм) | L1 | L2 | WP (bar) | Вид резьбы | М | Стандарт фитинга/муфты | Тип фитинга | Угол фитинга |
| 801133 | CAST | 38S | -20 | 31 | 1.1/4 | 82,5 | 75,5 | 210 | Внутренняя | 52x2 | Стандартный | DKO | 90 град. |
Показать полностью
Свернуть
Характеристики
Бренд
CAST
WP (bar)
210
Размер M фитинги Каст
52x2
внутр. диаметр (дюйм)
1.1/4
DN
31
DASH
-20
Размер L1 фитинги Каст
82,5
Размер L2 фитинги Каст
75,5
Размер соедин. D1 фитинги Каст
38S
WP (bar) рабочее давление
210
DN условный внутренний диаметр рукава
31
DASH размер продукции (рукава, фитинги, TC)
-20
Тип фитинга для РВД
DKO
DN (услов внут диам рукава, фитингов)
31
Стандарт фитинга/муфты для РВД
Стандартный
Угол фитинга для РВД
90 град.
Вид резьбы фитинга для РВД
Внутренняя
ID (дюйм)
1.1/4
Отзывы
Отзывов еще никто не оставлял
