Предназначены для использования в гидросистемах в качестве:
1) клапана разности давлений - для поддержания заданной разности давлений, определяемой настройкой пружины, в подводимом и отводимом потоках рабочей жидкости, или в одном из этих потоков и постороннем потоке;
2) клапана последовательности - для пропускания потока рабочей жидкости при достижении заданной величины давления, определяемой настройкой пружины, в этом потоке или управляющем (дистанционное управление) потоке;
3) предохранительного клапана - для предохранения объемного гидропривода от давления, превышающего установленное;
4) переливного клапана - для поддержания заданного давления путем непрерывного спива рабочей жидкости во время работы
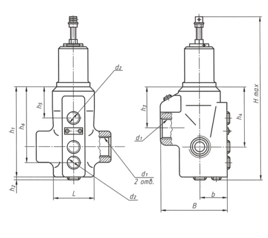
Общий вид, габаритные и присоединительные размеры гидроклапанов давления Г54-3 трубного монтажа
|
Модель гидроклапана |
АГ54-32М |
АГ54-34М |
АГ54-35М |
||||||
|---|---|---|---|---|---|---|---|---|---|
|
Рис |
1 |
||||||||
Резьба по ГОСТ 6111, дюймы, d1 |
K3/8 |
K3/4 | K1 1/4 | ||||||
Резьба по ГОСТ 6111, дюймы, d2 |
K 1/8 | K 1/8 | K1 1/8 | ||||||
|
H, max |
201 |
220 |
242 |
252 |
274 |
||||
|
L, +-t2/2 |
56 |
78 |
100 |
||||||
|
B +-1.5 -0.5 |
79 |
84 |
94 |
||||||
|
h1,+-1.8 |
91 |
109 |
142 |
||||||
|
h2,max |
2 |
2,5 |
3 |
||||||
|
h3,+-0.3 |
48 |
52 |
53 |
||||||
|
h4,+-0.3 |
64 |
75 |
101 |
||||||
|
h5,+-0.3 |
22 |
24 |
24 |
||||||
|
h6,+-0.6 |
79 |
93 |
125 |
||||||
|
b,+-t2/2 |
32 |
35 |
40 |
||||||

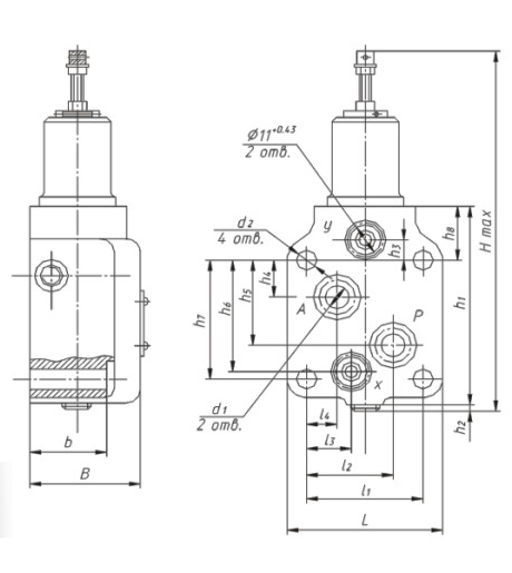
Общий вид, габаритные и присоединительные размеры гидроклапанов давления Г54-3 стыкового монтажа
|
Модель гидроклапана |
ПАГ54-32М |
ПАГ54-34М |
ПАГ54-35М |
||||||
|---|---|---|---|---|---|---|---|---|---|
|
Рис. |
2 |
||||||||
|
Н.max |
201 |
220 |
242 |
252 |
274 |
||||
|
L, h14 |
68 |
88 |
108 |
||||||
|
В, h14 |
65 |
66 |
70 |
74 |
|||||
|
h1. ±0.7 |
91 |
109 |
142 |
||||||
|
h2.max |
2 |
25 |
3 |
||||||
|
h3 |
ном. |
13 |
12 |
10 |
|||||
|
|
пред. |
±0.2 |
±0.3 |
±0.3 |
|||||
|
h4 |
ном. |
13 |
20 |
26 |
|||||
|
|
пред. |
±0.2 |
±0.3 |
±0.3 |
|||||
|
h5 |
ном |
28 |
43 |
70 |
|||||
|
|
пред. |
±0.2 |
±0.3 |
±0.3 |
|||||
|
h6 |
ном |
48 |
61 |
93 |
|||||
|
|
пред. |
±0,2 |
±0.3 |
±0.3 |
|||||
|
h7 |
+-0.2 |
41 |
63 |
96 |
|||||
|
h8 |
ном |
36 |
32 |
32 |
|||||
|
|
пред. |
±0,2 |
±0.3 |
±0.3 |
|||||
|
11 |
+-0.2 |
50 |
67 |
80 |
|||||
|
12 |
ном |
33 |
53.5 |
60 |
|||||
|
|
пред. |
±0.2 |
±02 |
±0:3 |
|||||
|
13 |
ном |
20 |
29.5 |
32 |
|||||
|
|
пред. |
±0.2 |
±0.2 |
±0.3 |
|||||
|
14 |
ном |
12 |
135 |
20 |
|||||
|
|
пред. |
±0.2 |
±0.3 |
±0.3 |
|||||
|
B.t2/2 |
49 |
55 |
64 |
||||||
|
d1,h14 |
10 |
18 |
25 |
||||||
|
d2,h14 |
11 |
13 |
17 |
||||||

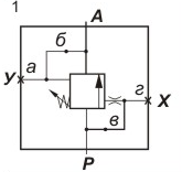
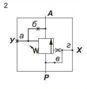
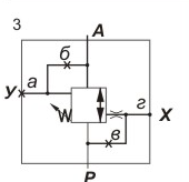
Схемы работы гидроклапанов давления
| Схема | Назначение |
|---|---|
![]() |
Поддержание заданной разности давлений, определяемой настройкой пружины в подводимом и отводимом потоках рабочей жидкости {видроклапан разности давлений) |
![]() |
Пропускание потока рабочей жидкости при достижении заданной величины давления в управляющей линии X, определяемой настрой-кой пружины и вепичиной давления на выходе из аппарата. |
![]() |
Пропускание потока рабочей жидкости в обоих направлениях при достижении заданной разности давлений в управляю-щих линиях X и У. определяемой настройкой пружины |
![]() |
Пропускание потока рабочей жидкости при достижении в нем заданной величины давления, определяемой настройкой пружины и давлением в линии У. |
|
Гидроклапан |
Наименование и величина параметра |
|||||
|---|---|---|---|---|---|---|
|
Условный проход, мм |
Расход рабочей жидкости, л/мин. |
Давление настройки, МПа |
||||
|
ном. |
мах. |
мин. |
ном. |
мах. |
||
|
АГ54 - 32М |
10 |
32 |
50 |
1 |
1,0 |
1,2 |
|
Г54 - 32М |
2,5 |
2,8 |
||||
|
БГ54 - 32М |
6,3 |
7,0 |
||||
|
ВГ54 - 32М |
10,0 |
11,2 |
||||
|
ДГ54 - 32М |
20,0 |
23,0 |
||||
|
АГ54 - 34М |
20 |
125 |
170 |
3 |
1,0 |
1,2 |
|
Г54 - 34М |
2,5 |
2,8 |
||||
|
БГ54 - 34М |
6,3 |
7,0 |
||||
|
ВГ54 - 34М |
10,0 |
11,2 |
||||
|
ДГ54 - 34М |
20,0 |
23,0 |
||||
|
АГ54 - 35М |
32 |
200 |
300 |
5 |
1,0 |
1,2 |
|
Г54 - 35М |
2,5 |
2,8 |
||||
|
БГ54 - 35М |
6,3 |
7,0 |
||||
|
ВГ54 - 35М |
10,0 |
11,2 |
||||
|
ДГ54 - 35М |
20,0 |
23,0 |
||||




