Описание
Предназначены для поддержания установленного давления в отводимом от них потоке рабочей жидкости более низкого,
чем давление в подводимом потоке.

| Наименование гидроаппаратов | Lmax, мм |
|---|---|
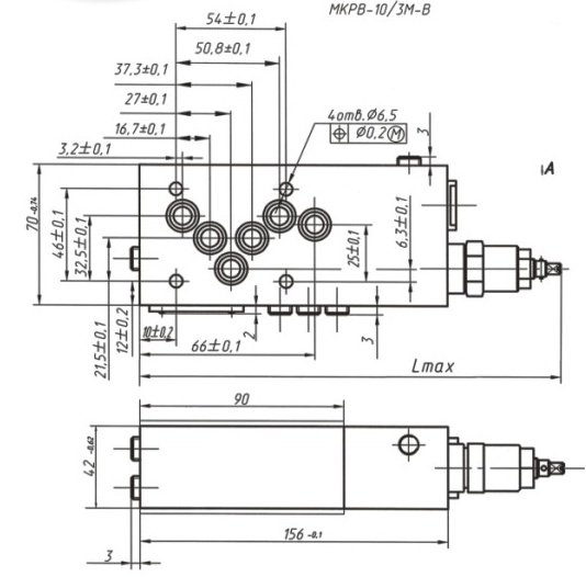
| МКРВ-10/3М-В | 211,5 |
| МКРВ-10/3М-Р | 217,5 |
| МКРВ-10/3М-П | 222,5 |
Общий вид, габаритные и присоединительные размеры гидроклапанов редукционных МКРВ-10/3М

Основные технические характеристики
| Наименование параметра | Величина | ||
|---|---|---|---|
| МКРВ-10/ЗМ...1 | МКРВ-10/ЗМ...2 | МКРВ-10/ЗМ...З | |
| 1. Условный проход, мм | 10 | ||
| 2. Давление на входе, МПа: номинальное максимальное |
32 35 |
||
| 3. Диапазон настройки давления при минимальном расходе, МПа | 0,3-10 | 1-20 | 1,5-31 |
| 4. Расход рабочей жидкости, л/мин: номинальный максимальный минимальный (на выходе) |
63 100 0 |
||
| 5. Максимально допустимый расход через вспомогательный клапан при максимальном перепаде давления на входе и линии редуцирования, л/мин | 1,5 | ||
| 6. Изменение редуцированного давления при изменении расхода от номинального до минимального, МПа, не более | 0,8 | ||
| 7. Изменение редуцированного давления при изменении давления на входе, МПа, не более | 0,5 | ||
Показать полностью
Свернуть
Отзывы
Отзывов еще никто не оставлял
